| 泵头: | 黄铜锻造 |
| 曲轴箱: | 压铸铝合金,阳极氧化 |
| 连接杆: | 一体式铝合金 |
| 柱塞: | 陶瓷涂层,精密研磨 |
| 密封组件: | U型、高低压双密封结构 |
| 轴承: | 球轴承和滚针轴承 |
| 曲轴: | 锻造钢合金,热处理,多工序磨削 |
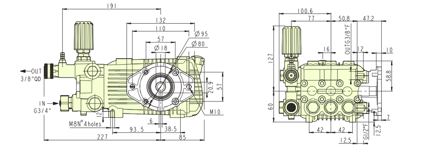
| 进水接口: | 3/8英寸,1/2英寸 |
| 卸载阀: | 班卓螺栓结构,陷阱式设计 |
| 出水接口: | 3/4 英寸(BSP 或 NH), 3/8 英寸快速连接 |
| 油浴容量: | 450毫升(油窗半液位) |
| 润滑油类型: | 15W/40 非清洁型机油 |
| 进水压力: | 0-50psi/3.5 bar |
| 最大进水温度: | ≤ 50°C/122°F |
型号:DBD-1814H
| 最大流量(GPM、LPM) | 4.0、15.1 | |
| 最大压力(PSI、BAR) | 3000,206 | |
| 液压马达(GPM、LPM、PSI、BAR) | 7.7、29、2550、175 | |
| 重量(kg) | 13.6 | |
| 运输尺寸(cm) | 43x41x26 | |

泵头
黄铜锻造
曲轴箱
铝合金
曲轴
锻造钢合金
连接杆
铝合金
柱塞
涂层陶瓷
密封组件
U 型双密封结构